Описание продукта
Надежность, качество и низкая стоимость, все это можно сказать об очистных сооружениях серии Флагман. Каждое изделие проходит испытание на герметичность, поэтому исключает возможность попадания сточных вод в окружающую среду.
Станции биологической очистки «Флагман» (СБО) - это недорогие и самые простые конструкции, которые исправно работают годами, вне зависимости от условий на участке. Станция не требует откачки и какого-либо профессионального обслуживания, что делает ее незаменимой для дачного участка. Если вы ищете простое и недорогое очистное сооружение для дачи или коттеджа, то «Флагман» станет идеальным вариантом. Станция подходит для монтажа и эксплуатации даже при высоком уровне грунтовых вод.
Высокая надежность, безупречное качество и доступная цена - все это можно сказать об очистных сооружениях серии «Флагман». Каждая модель «Флагмана» проходит испытание на герметичность, поэтому исключается какая-либо возможность попадания сточных вод в окружающую среду.
Основные преимущества СБО «Флагман»:
- станция работает даже при отсутствии электричества (переходит в режим септика);
- имеет прочный круглый корпус (гарантия до 5 лет);
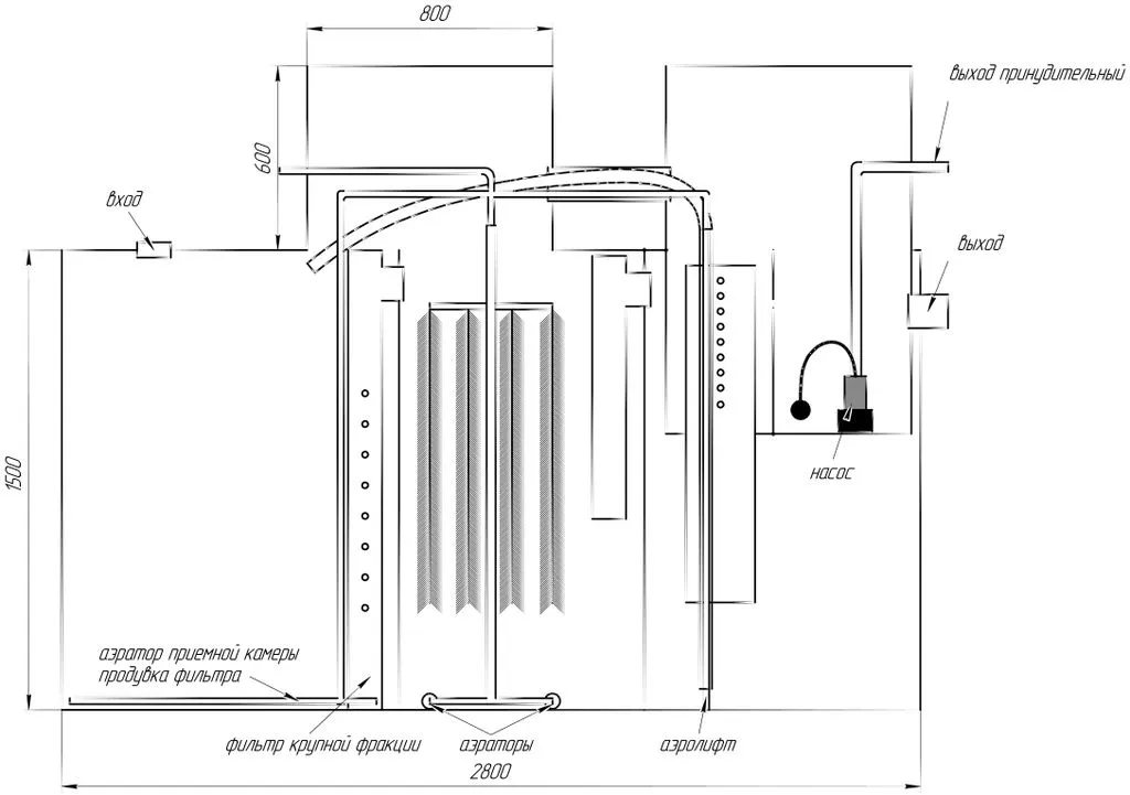
- компрессор размещен в доме, благодаря этому увеличивается его эксплуатационный ресурс;
- отсутствие металлических деталей, которые могут окисляться в агрессивной среде;
- отсутствие дорогостоящих электромагнитных клапанов и блоков управления, которые в процессе эксплуатации выходят из строя;
СБО «Флагман» отличается максимально простым процессом монтажа и дальнейшего обслуживания – все это можно делать самостоятельно без привлечения сервисной службы. При использовании станции не наблюдается каких-либо неприятных запахов, она подходит как для постоянного, так и сезонного проживания (в том числе для эксплуатации в зимних условиях). А срок службы СБО достигает более 50 лет (подходит для семьи из 5 человек).
Технические характеристики:
- тип: локальное очистное сооружение (самотечный/принудительный)
- объем: 5 куб.
- количество пользователей: от 8 до 10 чел.
- производительность: 2000 л/сут
- мощность компрессора: 100 Вт
- энергопотребление: 2,5 кВт/сут
- степень очистки: 95%
- количество камер: многокамерный
- количество горловин: две
- материал изготовления: полиэтилен
- срок эксплуатации: более 50 лет
- гарантия на корпус: 5 лет
- размеры (ДхШхВ): 2700х1500х2100 мм
- компрессор: Secoh-80
- комплект поставки: станция, компрессор, паспорт изделия
Преимущества над другими аэрационными станциями:
- наша станция имеет прочный круглый корпус с равномерной толщиной стенок
- наша станция дешевле аналогов в среднем на 21 000 руб.
- мы единственные производители очистных сооружений кто дает гарантию на корпус 5 лет
- мы размещаем компрессор в доме, благодаря этому увеличивается эксплуатационный ресурс компрессора.
- мы не используем в своей станции металлических деталей, которые постоянно окисляются в агрессивной среде
- для нашей станции нет такого понятия как залповый сброс, все камеры в станции последовательные
- мы отказались от использования дорогостоящих электромагнитных клапанов и блоков управления, которые в процессе эксплуатации выходят из строя
- при длительном отключении электроэнергии станция переходит в режим работы септика
- мы максимально упростили процесс обслуживания станции, обслуживание можно делать самому без привлечения сервисной службы
- отсутствие неприятных запахов
- можно устанавливать при высоком уровне грунтовых вод
